- « Poprzedni
- Następny »
- Oznacz jako nowe
- Zakładka
- Obserwuj
- Wycisz
- Subskrybuj źródło RSS
- Wyróżnij
- Drukuj
- Zgłoś
ORANGE światłowód - konfiguracja urządzeń z ONT
Cześć,
lada chwila zostanie dołączony do mojego domu ORANGE światłowód. Chciałbym z Wami przedyskutować konfiguracje urządzeń w mojej lokalizacji.
Poniżej podaje informacje które wydaje mi się pozwolą Wam zrozumieć całą sytuacje i coś doradzić:
A. Lokalizacja
1. dom jednorodzinny
2. dom z 2 kondygnacjami
3. światłowodowy kabel abonencki zostanie zakończony w kotłowni
rys. 1
B. Wymagania
1. WiFi na dwóch kondygnacjach dla urządzeń mobilnych - konieczność zainstalowania AccessPointów (1. na kondygnacji I, 2 na kondygnacji II)
2. do każdego pokoju na obu kondygnacjach doprowadzony kabel Ethernet cat 6 - potrzebny switch
3. liczba pokoi z doprowadzonym kablem Ethernet - 5
C. Problemy
1. z dostarczonym urządzeniem FunBox Orange brak zasięgu WiFi w całym domu na dwóch kondygnacjach
2. brak wystarczającej ilości portów LAN w FunBox, aby doprowadzić kabel Ethernet do każdego pokoju w domu - potrzebny switch
3. duże obciążenie i ruch w sieć może być ograniczeniem dla FunBoxa - konieczność wykorzystania rutera zewnętrznego
D. Sugerowane rozwiązanie:
schemat 1:
E. Linki do urządzeń TP-LINK:
F. Pytania do Was
1. czy zaproponowane przeze mnie urządzenia będą współpracować z siecią światłowodową ORANGE?
2. czy zaproponowany przeze router będzie współpracować z ONT ORANGE?
3. czy możliwa będzie konfiguracja routera TP-LINK tak aby ten działał sieci ORANGE?
4. czy w konfiguracji jak na schemacie możliwe będzie oglądanie TV podłączonego do switcha?
5. czy router i switch mają niezbędne protokoły i funkcje które umożliwią stworzenie za ich pomocą sieci w domu i korzystanie w usług ORANGE - IP TV, VOPI, Internet
6. w wielu wątkach na forum pojawiają się sugestie i wskazówki co do konfiguracji routerów zewnętrznych przy zastosowaniu ONT Orange. Oczywiście każdy producent ma swoja funkcje inaczej nazwane i w różnych miejscach. Czy sugerowane na forum konfiguracje np. VLAN 35 itp. będą miały zastosowanie w urządzeniach o których mowa wyżej?
7. Czy orange ma jakiś standardowy opis konfiguracji routerów, w przypadku kiedy nie stosuje się FunBoxa? - wiem że orange nie odpowiada za urządzenia klienta
8. czy parametry konfiguracyjne jakie stosuje się w FunBoxie mają zastosowanie w routerze innego producenta np. TP-LINK?
Dziękuje za pomoc, konkretne i rzeczowe odpowiedzi. Może w tego wątku uda się stworzyć instrukcję dla osób w podobnej sytuacji jak ja. Opiszemy konfiguracje w/w urządzeń, co będzie to stanowiło nie jako wzór dla innych kolegów i osób szukających pomocy w podobnej kwestii
dzięki
- Oznacz jako nowe
- Zakładka
- Obserwuj
- Wycisz
- Subskrybuj źródło RSS
- Wyróżnij
- Drukuj
- Zgłoś
ORANGE światłowód - konfiguracja urządzeń z ONT
@arturbeb bardzo trudny temat i raczej nie na forum Nasz Orange, to robota lokalna dla informatyka, jeśli nim jesteś to spok, jak nie to poszukaj takiego, bo bez Orange TV było by łatwiej, choć i tak trzeba to lokalnie robić, nie zdalnie jak oczekujesz, co do routera TP-LINK TL-R605 nada się do internetu, ale Orange TV nie obsłuży, ba nie wiadomo czy ma VLAN ID, to niezbędne by zastąpił FunBox, tylko internet, ja więcej nie doradzę zdalnie, bo trzeba by temu poświęcić sporo czasu.
- Oznacz jako nowe
- Zakładka
- Obserwuj
- Wycisz
- Subskrybuj źródło RSS
- Wyróżnij
- Drukuj
- Zgłoś
ORANGE światłowód - konfiguracja urządzeń z ONT
@arturbeb rozwiązania z gruntu słuszne. Ja jedynie zasugeruję, że o ile konfiguracja netu przez vlan 35 może być prosta o tyle konfiguracja vlan dla IP TV może przyprawić o ból głowy . O VoIP nie wspomnę, bo albo nie zauważyłem, albo router tplinka nie ma litrów VoIP i musisz użyć dodatkowej bramki, co znów rodzi problemy. Przy FB którego i tak musisz mieć w pakiecie jedyna rzeczą na którą musisz zwrócić uwagę to że IPTV musisz podłączyć do FB a nie przez switch, bo będą problemy
- Oznacz jako nowe
- Zakładka
- Obserwuj
- Wycisz
- Subskrybuj źródło RSS
- Wyróżnij
- Drukuj
- Zgłoś
ORANGE światłowód - konfiguracja urządzeń z ONT
tak, czytałem już o problemach z podłączeniem TV i VoIP bez FunBoxa...🙄
1. czy można więc podłączyć do routera TP-Link bezpośrednio FunBox'a - tak jak na rysunku?
- Funbox będzie realizował usługi IPTV i VoIP
- Switch będzie powielał porty LAN i będzie odpowiadał za usługi związane z Internetem (Internet przewodowy, Internet za pośrednictwem AccessPointów)
- Oznacz jako nowe
- Zakładka
- Obserwuj
- Wycisz
- Subskrybuj źródło RSS
- Wyróżnij
- Drukuj
- Zgłoś
ORANGE światłowód - konfiguracja urządzeń z ONT
@arturbeb Do FunBox 3.0 czy 6.0 możesz podłączyć cokolwiek, ale nie odwrotnie, bo usługi Orange TV ci nie będą działać, ba bez Orange TV ten FunBox zbędny, inaczej musi być jako pierwszy a potem TP-Link 😉
- Oznacz jako nowe
- Zakładka
- Obserwuj
- Wycisz
- Subskrybuj źródło RSS
- Wyróżnij
- Drukuj
- Zgłoś
ORANGE światłowód - konfiguracja urządzeń z ONT
Telewizji nikt nie zagwarantuje by poprawnie działała w Orange. Podobno to jest działająca konfiguracja na TP-Linkach:

- Oznacz jako nowe
- Zakładka
- Obserwuj
- Wycisz
- Subskrybuj źródło RSS
- Wyróżnij
- Drukuj
- Zgłoś
ORANGE światłowód - konfiguracja urządzeń z ONT
@arturbeb w tej konfiguracji FB absolutnie nie będzie działać. Połączenie szeregowe routerów spowoduje dodatkowy mat, co dla normalnego ruchu nie będzie problemem, ale dla gier spowoduje opóźnienia...
- Oznacz jako nowe
- Zakładka
- Obserwuj
- Wycisz
- Subskrybuj źródło RSS
- Wyróżnij
- Drukuj
- Zgłoś
ORANGE światłowód - konfiguracja urządzeń z ONT
A co powiecie na takie warianty:
Wariant 1
1. Czy w takiej konfiguracji urządzeń będzie działał VOIP i IPTV?
2. Czy wydajność FunBox'a będzie wystarczająca do obsługi tylu urządzeń, będą występowały przerwania w połączeniach i ich zrywanie?
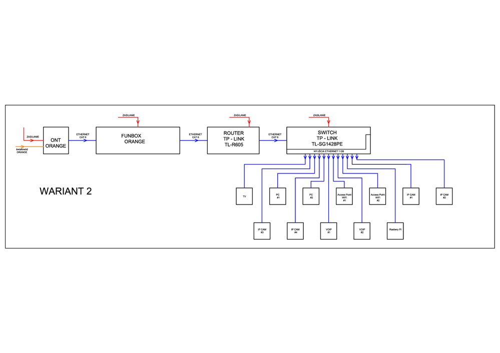
Wariant 2
zastosowanie routera TP-Link między FunBoxem, a Switchem ma za zadanie wyeliminowanie lagów i zrywania połączeń przy wielu urządzeniach w sieci - generalnie chodzi o wydajność sieci.
1. Czy Wariant 2 ma sens?
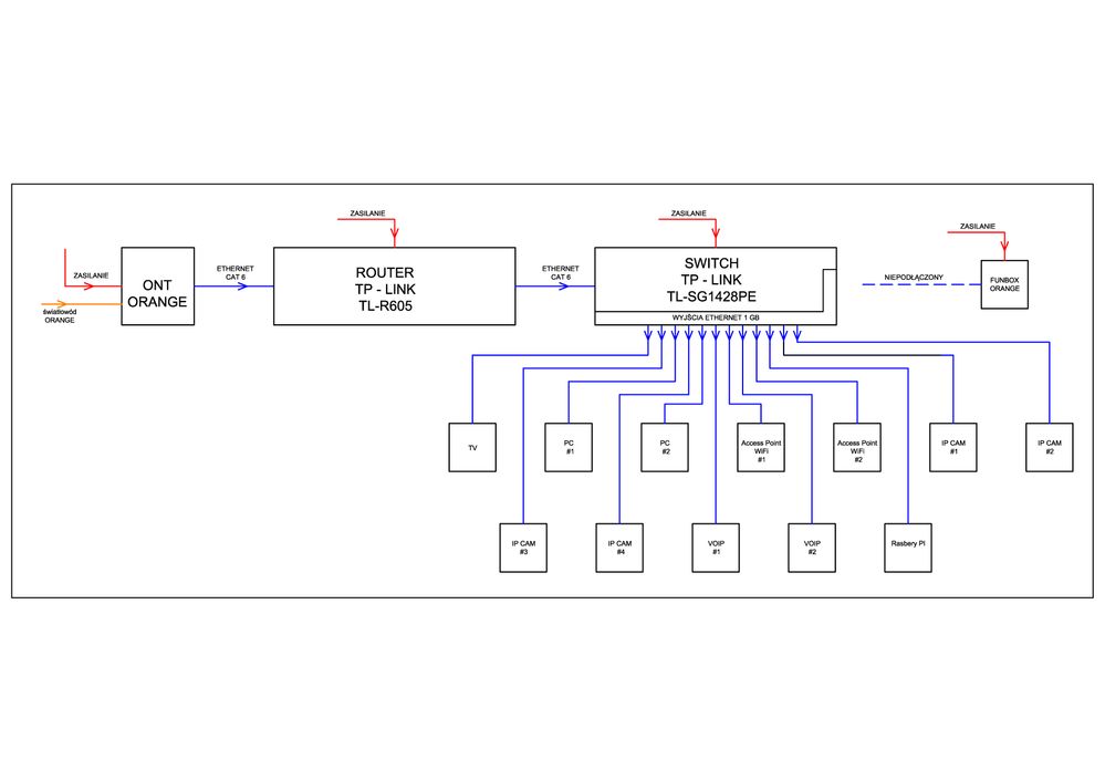
Wariant 3
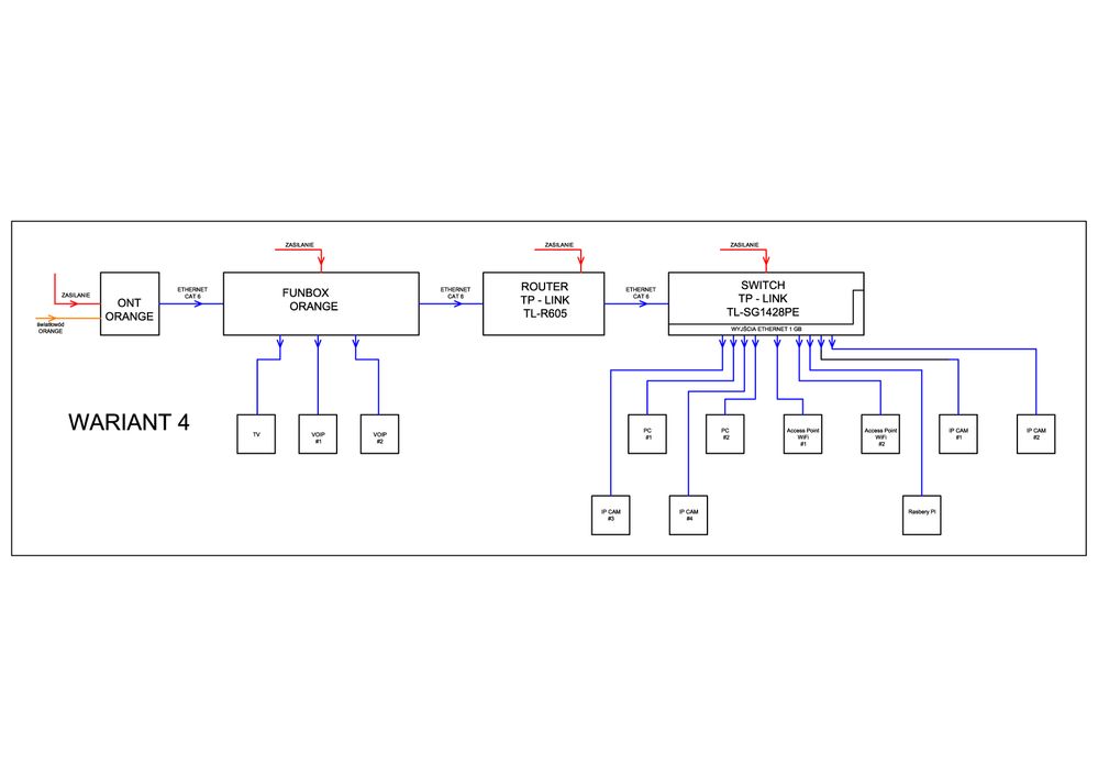
Wariant 4
W przypadku wariantów 2, 3, 4 można zrezygnować z ONT bo tą funkcje przejmie FunBox. Pytanie pozostaje nadal jedno:
1. czy w wariantach 2, 3, 4 wydajność FunBoxa będzie wystarczająca żeby obsłużyć taki ruch
- Oznacz jako nowe
- Zakładka
- Obserwuj
- Wycisz
- Subskrybuj źródło RSS
- Wyróżnij
- Drukuj
- Zgłoś
ORANGE światłowód - konfiguracja urządzeń z ONT
@arturbeb wariant 3 i 4. W 1 i 2 może być problem z tv
Sprawdź, jak się będzie grało , jakie będą transfery wewnątrz sieci i wybierz lepsze rozwiązanie
Niestety o wydajności nie powiem, bo to nieprzewidywalne. Musisz robić testy i wybierać konfigurację wedle potrzeb i działania
- Oznacz jako nowe
- Zakładka
- Obserwuj
- Wycisz
- Subskrybuj źródło RSS
- Wyróżnij
- Drukuj
- Zgłoś
ORANGE światłowód - konfiguracja urządzeń z ONT
@arturbebDopytam: czy na schemacie 2xVoIP to specjalnie i liczysz na dwa niezależne numery?
To ja jeszcze w kwestii ruchu w sieci: czy kamery IP będą miały rejestrator czy działają na serwerze zewnętrznym? Co to za system?
- « Poprzedni
- Następny »